銷售熱線:400-800-8171
上海歐切斯實業有限公司
上海市閔行區蓮花南路1929號飛奧科創園309室
總部電話:021-61611461-8044
傳真號碼:021-61267005
郵箱:cnsales@euchips.com
新聞中心
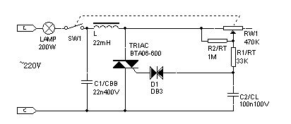
展示4種特別效能的可控硅電子調光器電路圖
來源://26625.cn/ 2013-12-05今天由本公司為您展示的4種容易實現特種效能的可控硅調光器電路圖以供大家參考。這種電路是最基本的可控硅調光電路,可輕松實現對燈光的明暗調節,但其他電器也因此受到嚴重干擾。可控硅電子調光器電路圖的最基本原理主要是通過移相電路觸發可控硅對交流電壓正弦波形進行削波來實現電壓的調節,輸出的電壓波形存在嚴重的畸變,產生大量的電磁諧波。
1.可精確最小亮度的調光電路
當這種電路處于閉合開關時可以設定在燈泡的最小亮度的某一確定值,設定增加的電阻R2的阻值就可實現。如果把R2換為可變電阻器,則可實現更精確的調節。
2.具有穩光功能的調光電路
當環境亮度變化時,光敏電阻的CDS電阻值也會相應地改變,一旦出現這種變化值,可控硅的導通角也會隨之改變,這樣就可讓燈泡亮度向相反方向改變。RW2用于調整光敏電阻的靈敏度。
3.改善了調節穩定性的調光器電路
4.可消除滯后效應的調光器電路
上述是由本公司為您展示的4種能實現特殊功效的可控硅電子調光器電路圖,希望對您選用可控硅調光器上有更好的效果展現。如果你想要了解更多,歡迎進入//26625.cn/進行咨詢。
更多閱讀:LED控制器調光技術都有哪些種類
- 相關新聞:
- 光亞展首日直擊-歐切斯C位火爆吸睛,星光夜聚燃爆全場[2025-06-12]
- 歐切斯2024新品回顧 — 持續創新,拼搏奮進[2025-01-21]
- 歐切斯IP67防水電源,無懼雷雨,勢不可擋[2024-04-15]
- 歐切斯小體積恒流調光電源[2023-12-18]
- 發現歐切斯之旅:沙漠中的璀璨明珠-阿聯酋阿布扎比洲際酒店[2023-12-11]
- 發現歐切斯之旅,點亮互聯網科技之巔—烏鎮世界互聯網科技館[2023-12-04]
- 光亞展完美收官,歐切斯C位強勢霸屏,載譽而歸,實力再出圈[2023-06-14]
- 歐切斯工程師在線教學:可控硅調光系統接線及演示[2022-06-27]
